技术文章
modscan32调试倾角传感器方法 |
|
| 发布时间:2018-03-09 文章来源:本站 浏览次数:4804 | |
ModScan32 调试倾角传感器手册 本公司所有生产的后缀带-232/485MB的倾角传感器,均指出标准modbusRTU协议,我们可以通过modscan32软件调试。 如果您使用的是后缀-232MB,则为RS232接口,传感器与计算机的串口连接如下图:
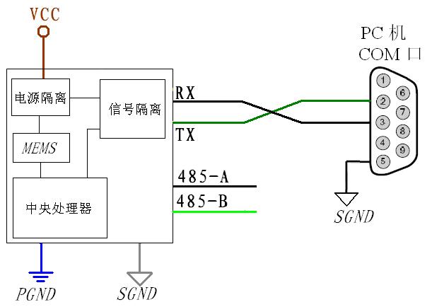
若您使用的计算机没有9针的COM口,则需要用USB转串口,请选择性能较好的兼容性好的USB转串口线。传感器有两个地,分别是PGND和SGND,前者为电源地,后者为信号地,232连接的时候,信号地SGND与DB9的5脚连接。使用中注意区分。若将PGND和SGND短接,则传感器将失去隔离作用,外接的各种噪声和脉冲将会进入传感器内部。 如果您使用的是后缀-485MB,则为RS485接口,传感器与计算机的串口连接如下图:
若您使用的计算机没有9针的COM口,则需要用USB转串口线,在配合串口转485模块。或者您直接使用USB转485线。请选择性能较好的兼容性好的USB转串口线或USB转485线。485通信的时候,SGND无需连接。485通信线最好选择双绞线。首先要保证外部连接线正确连接好,确认数据的连接正常,搞定了硬件,下面进入到软件界面操作.
第一步: 单击菜单栏的Connenction ---à”connect”出现
传感器默认设置是:波特率9600,数据位8,校验方式EVEN,停止位1 第二步:通讯参数设定:点击菜单Setup…DisplayDefinition.单击后出现的界面填写如下图所示的数据
将Scan改成200 按上图设置。 第三步:主界面选择:
Address:寄存器的地址,填写0001 Length:寄存器长度,填写10 Device ID:设备的地址,默认为1,如果您修改过设备地址,填写修改后的数值 MODBUS Ponit Type:modbus节点类型,提供四种类型。我们选择输入寄存器,如下 01:COIL STATUS 线圈状态 02:INPUT STATUS 输入状态 03:HOLDING REGISTER 保持寄存器 04:INPUT REGISTER 输入寄存器 第四步:PC显示数据设置: 从左到右对应看:二进制、十进制、十进制整数、十六进制。。。。 到此为止,应该有角度显示了。如果没有,请联系客服
其他高级功能的设置/修改------修改设备地址、波特率、校验方式、相对角度参考值 按如下图方式设置:
特别注意:设备地址、波特率和校验方式的任何一项修改,将导致通信中断。需要重新连接,选择修改后的设备地址、波特率和校验方式。修改后切勿忘记。 40103是X轴的相对角度参考值,40104是Y轴的相对角度参考值,这两个数值默认都为0.如果有必要是可以修改的。例如将40103的数值改成150。则X轴角度角度即以+150为参考值。 高级功能设置/修改----快速置当前角度为相对角度参考值 可以通过置线圈快速的设置当前角度为对应轴向的相对角度参考值。设置如下:
|
| 上一篇: 已经到达第一张 |
| 下一篇: 已经到达最后一张 |








